
В России в 1957 году был создан синтезатор, чьи возможности в своё время потрясли весь мир. Он был способен извлекать звуки, напоминающие людям о космических пространствах, и с его помощью озвучивали фильм «Космос», который показывали на выставках в Париже и Лондоне. Можно проследить историю его создания — от идеи до воплощения в жизнь.
Рождение замысла
Идея музыкального инструмента, способного воспроизводить все возможные в природе звуки, родилась давно. Ещё Фрэнсис Бэкон пять столетий назад в своей «Новой Атлантиде» мечтал:
…Музыкальные инструменты не похожи на ваши, и звучат они гораздо мелодичнее… Звуки слабые мы представляем как величественные и глубокие, а громкие звуки ослабляем и придаём им остроту. Мы создаём иные созвучия и трели, которые сами по себе совершенны. Мы можем имитировать звуки человеческой речи, голоса зверей и пение птиц.
В конце 19 — начале 20 века композиторы начали экспериментировать, пытаясь с помощью света преобразовать звук в цвет. Расширить возможности музыки, соединив её со светом и цветом, старался и Александр Николаевич Скрябин. В симфонической поэме «Прометей» (1910 г.) он использовал световые эффекты, стремясь добиться синтеза искусств для более сильного воздействия на духовный мир человека.
Однажды его произведения услышал талантливый советский юноша Евгений Мурзин — и был потрясен. Сам он говорил об этом так: «Я поразился его стремлению выйти за пределы привычной двенадцатиступенной октавы, хотя все его попытки были обречены на неудачу. И я решил открыть клад неизвестных звукосочетаний, найти для современных композиторов путь к новым гармониям».
Евгений Мурзин родился 7 ноября 1914 года в Самаре, учился в Самарском технологическом техникуме, а затем в Московском институте инженеров коммунального строительства. Позже он стал одним из самых талантливых советских инженеров. С детства Евгений много читал и очень многим активно интересовался, был меломаном, коллекционировал пластинки и музицировал сам. И когда услышал Скрябина, решил создать синтезатор, способный воплотить в жизнь то, чего пытался достичь композитор. В 1938 году, когда ему исполнилось 24 года, он пришёл в Московскую консерваторию с проектом фотоэлектронного оптического синтезатора звука, который собирался назвать ��НС — «Александр Николаевич Скрябин».
Мурзин рассказал о своей идее заведующему лабораторией музыкальной акустики Московской консерватории Николаю Александровичу Гарбузову, но тот ответил, что государству это сейчас вряд ли будет интересно. При этом сообщил, что среди музыкантов эта идея разрабатывается давно, и посоветовал обратиться к Арсению Авраамову, Борису Янковскому, Александру Шорину и Евгению Шолпо — они в числе прочего занимались оптической записью звука.
Постепенно Мурзин сделался вхож в круг музыкантов и инженеров вокруг Арсения Авраамова. Тот был уникальным человеком: теоретик музыки, композитор, он не только участвовал в организации Пролеткульта, но и побывал первым комиссаром искусства в 1917–1918 годах. Авраамов писал музыку в 48-тоновой системе задолго до европейских композиторов-авангардистов. А Борис Янковский предложил Мурзину построить звукоряд с 72 ступенями на одну октаву. Так могло получиться предельно натуральное звучание инструмента и можно было достичь необычайно ярких тембров.
Но работа над синтезатором остановилась — началась война. Мурзин попал в артиллерию, где сразу решил повысить точность орудий и разработал схему электромеханического поправочника для управления огнём. После того как он показал своё изобретение командованию, его отозвали с фронта и направили на курсы воентехников при академии им. Дзержинского, после чего он долго работал в институте от Министерства обороны в интересной должности «военного изобретателя». Придумал принципиально новый зенитный прицел, за что получил Сталинскую премию по закрытому списку, а изобретение приравняли к защите кандидатской диссертации. Постепенно Мурзин стал главным конструктором в командном пункте ПВО и дослужился до полковника.
Но от своей мечты создать синтезатор он не отказался и продолжал над ним работать, в основном в свободное время.
Работа над синтезатором
Евгений Мурзин убедил начальство, что работает не просто над музыкальным синтезатором — мол, создаваемый прибор будет способен кодировать любые сообщения так, что их невозможно расшифровать. Мурзин действительно изобрёл систему шифрования радиопереговоров, используя идеи, которые вдохновили его на создание АНСа. Так он получил поддержку сослуживцев: в работе над каркасом и отдельными деталями ему помогали конструкторы, механики, оптики и слесари института. А когда он по работе оказался в ГДР, то смог включить в заказ для института некоторые оптические детали, которые были сделаны на известном заводе Zeiss в Йене.
По воспоминаниям очевидцев, Мурзин создавал АНС на даче. Работа была очень сложной и кропотливой. Для синтезатора нужны были четыре стеклянных диска, на каждый из которых нужно было нанести 144 концентрических окружности, прозрачных или закрашенных. Точность требовалась до сотых долей миллиметра в границах прозрачных и непрозрачных, при этом необходимо было соблюдать мельчайшие нюансы оттенков. Инженер создал специальный станок, чтобы наносить рисунок фотографическим способом на фотопластинку. На изготовление первого диска потребовалось более трёх лет.
Кроме того, Мурзин сконструировал столамповый усил��тель, электропривод и специальные магнитофоны с тонкой настройкой. Корпус синтезатора сделали мастера в институте.
Первый работающий прототип появился в 1957 году. Он был внушительных размеров (примерно половина комнаты на даче Мурзина), у него было 576 чистых тонов, перекрывающих диапазон 42—10 800 герц, 8 октав и 4 оптических диска.
Второй вариант был поменьше габаритами, 170 на 150 см, с 720 чистыми синусоидальными тонами, перекрывающими диапазон 21—21 600 герц, 10 октавами и 5 оптическими дисками. Это устройство было готово только в конце 1960-х. В нём были использованы некоторые части из первой версии АНСа, и он стал более удобным для композиторов: у первого стекло с мастикой было горизонтальным, а у второго Марзин сделал его почти вертикальным, с удобным для работы наклоном (как мольберт).
Станислав Крейчи рассказывал забавную историю: пока первый вариант АНСа демонстрировался на ВДНХ, он и Эдуард Артемьев смогли заработать весьма приличные по тем временам деньги, создавая озвучку по самым разным заказам. Но радовались они недолго: когда об этом узнал Мурзин, то все деньги пошли на создание второго АНСа. Крейчи рассказывал об этом с юмором, оба молодых человека были энтузиастами и бессребрениками, и вовсе не рассматривали свою работу как путь к личному обогащению.
Станислав Крейчи рассказывает о синтезаторе АНС (видео на Youtube):
Оптико-механический генератор чистых тонов синтезатора АНС:

Что сделал Мурзин, или Как рисовать звук
Метод Мурзина основан на работе фотоэлементов, генерирующих разное напряжение в зависимости от количества и насыщенности проходящего через них света. У АНСа нет клавиатуры, синтезатор работает по принципу секвенсора.
Партитуру для АНСа композитор должен был нанести на прозрачное, покрытое светонепроницаемой незасыхающей мастикой стекло. Многорезцовым кодером выполнялись прорези, записывающие комплекс обертонов. Отдельными тонкими линиями можно было получить чистые тона. Широкими линиями достигались басовые шумы. Мастика позволяла корректировать ретушью ошибочно прочерченные линии. Принцип работы АНС очень точно и образно описал писатель-фантаст, популяризатор науки и журналист Глеб Анфилов в книге «Физика и музыка»:
Представьте себе, что вы сидите за письменным столом, а против вас, вдоль противоположного края стола, тянется в его доске длинная горизонтальная щель. Она вся светится, мелькает световыми вспышками. Приглядитесь внимательнее, вы заметите, что щель составлена из множества окошечек. Их всего 576. В крайнем левом свет и темнота непрерывно сменяют друг друга 40 раз в секунду. Чем правее окошко, тем чаще мигания. В крайнем правом их частота 11 000 в секунду. Причем ступеньки нарастания частоты от окошка к окошку везде одинаковые. Столь быстрые мелькания, конечно, глазом не различишь. А получаются они потому, что на пути к окошечкам световые лучи пронизывают вращающиеся диски с волнообразной сменой черноты и прозрачности. Вот эта щель и есть основа машины Мурзина. Это как бы беззвучный запас любых звуков. Ведь хоть световые мелькания и немы, но заставить их петь совсем нетрудно: поставьте над щелью фотоэлементы, соединенные через хороший усилитель с громкоговорителем, и световые колебания тотчас превратятся в звуковые. Правда, когда все окошки запоют хором, получится несусветный шум, который нам пока не нужен. Нам нужен музыкальный звук. Его нужно «выбрать из шума». Что ж, это совсем просто. Накройте щель светонепроницаемой пластинкой с маленькой дырочкой. Пусть эта дырочка окажется над тем окошечком, что мелькает 440 раз в секунду. Теперь только эти колебания будут пропущены к фотоэлементам. И, превратившись в звук, они дадут чистый тон «ля» первой октавы. <…> Несколько сочетаний подобных отверстий в пластине дадут аккорд – любой сложности, с неограниченным количеством голосов. Звуки его можно расположить и по традиционным полочкам двенадцатиступенного темперированного строя (такого, как на рояле, органе, аккордеоне), и по чистым натуральным интервалам, недоступным нотной записи и обычным инструментам. Дело в том, что звукоряд машины Мурзина гораздо богаче обычного звукоряда современной музыкальной системы. В его октаве не 12, а 72 звука. В шесть раз больше!
Да, АНС имел 72 «ступеньки» в октаве. Это была как раз та особенность машины, которую ещё в довоенные годы подсказал Мурзину сотрудник лаборатории музыкальной акустики Борис Янковский. По вычислениям Янковского, именно при таком делении октавы можно строить особенно яркие, прозрачные, сочные тембры и аккорды. И синтезатор Мурзина оказался способным на всё, о чём мечтали музыканты, композиторы и изобретатели: любые аккорды, богатейшие тембры, полифоническое многоголосие, натуральные созвучия, какие угодно диссонансы.
Внешний вид синтезатора АНС:

На лицевой части синтезатора расположены:
-
блок канальных усилителей с рычажками предустановки уровня звучания;
-
блок фотоумножителей;
-
переключатели уровня общего звучания;
-
клавиши установки режима амплитудной огибающей звука;
-
рычаг управления механическим приводом «партитуры»;
-
ручной привод партитуры;
-
педали переключения режимов работы синтезатора;
-
педаль начала звучания;
-
кодирующее устройство (кодер);
-
шкала кодера;
-
читающее устройство (система плоских линз);
-
рабочее поле графического управления синтезом звука (партитура);
-
клавиши динамического управления звучанием;
-
рычажки установки режима записи в память;
-
механический привод кодера.
На задней стороне синтезатора расположены блоки питания и фотооптический генератор.
АНС (первая версия), рисунок из журнала «Техника — молодежи», 1960 год:

Синтезатор АНС (видео на Youtube):
Функциональная схема работы синтезатора АНС

Свет проекционной лампы (1), проходя через вращающиеся диски оптических фонограмм (2), становится модулированным по интенсивности (звуковая дорожка на диске превращается в колебания светового луча). Система объективов направляет модулированный свет на читающие фотоэлементы (4), но на пути стоит маска — «партитура» (3), пропускающая определённые лучи из всего множества. Эти лучи и определяют звучание в данный момент. Партитура может стоять неподвижно и тогда звучание будет неизменным. Если же партитура движется и рисунок на ней меняется, то одни звуки переходят в другие и музыка звучит во времени. Во времени читается и длительность звука: она пропорциональна длине прочерченной линии по горизонтали. Читающие рисунок фотоэлементы преобразуют «звучащий» свет в электрический сигнал, который затем преобразуется в звук с помощью усилителя (5) и динамика (6).
Техническое описание синтезатора АНС
С помощью оптической системы, состоящей из проекционной лампы, конденсора, диска фонограмм, подвижного зеркала и объектива, фонограммы проецируются на «партитуру» синтезатора, на которой отбираются чистые тоны, необходимые для получения нужного звучания.
Фотооптический генератор представляет собой агрегат из пяти проекторов и пяти дисков фонограмм, вращающихся с помощью двигателя и редуктора с различными скоростями и обеспечивающих диапазон частот 20—20000 Гц.
Снаружи фотооптический генератор закрыт защитным кожухом.
Партитура синтезатора АНС — это зеркальное стекло толщиной 7 мм, покрытое слоем специальной непрозрачной мастики. В нём делают просветы, пропускающие свет от проектора фотооптического генератора. Комбинация таких просветов, имеющих разную длину и положение по вертикали, считывается при движении партитуры и образует мелодический рисунок после преобразования света в электрический сигнал звуковой частоты. Стекло партитуры вставлено в подвижную металлическую раму.
Мастику для покрытия «партитуры» готовят на основе битумной мастики или пасты для гидроизоляционных работ, с добавлением чёрного тонера для заправки принтеров, и машинного масла для придания свойств «не сохнущей» краски. Перед нанесением мастику разбавляют растворителем «Уайт спирит» до состояния «текучести». Графический рисунок на партитуру можно наносить любым заострённым предметом: карандашом, шариковой авторучкой, иглой и тому подобное
Механический привод партитуры состоит из зубчатой рейки, прикреплённой к раме, ведущей шестерни и фрикционного механизма с двигателем. Скорость и направление движения меняют рычагом управления. Рукояткой ручного управления двигают партитуру при выключенном двигателе.
Для кодирования музыки, написанной традиционным способом в виде нот, на синтезаторе АНС есть передвижное устройство кодирования высоты и тембра звука — «кодер» (9), двигающееся по вертикали относительно звуковысотной шкалы (10) в виде фортепианной клавиатуры, и устройство кодирования его длительности — вращающийся барабан с нанесенными на нём шкалами длительностей. Барабан вращается синхронно с движением «партитуры».
Устройство кодирования длительности:


Фрикционный механизм соединяется карданными валами с шестернёй движения партитуры, с рукояткой ручного привода и с рычагом управления скоростью.
Устройство считывания рисунка на партитуре представляет собой систему фотоэлементов (фотоумножители ФЭУ-2), преобразующих свет проектора фотооптического генератора, проходящий через рисунок, в электрический сигнал. Весь диапазон проекции звуковых дорожек — 720 мм, разделён на 20 участков по 36 мм. Система из двадцати плоских линз фокусирует каждый участок на отдельный фотоэлемент (Л1). Далее электрический сигнал фотоэлемента усиливается электронной лампой Л2.
Электрический сигнал звучания партитуры, предварительно усиленный в считывающем устройстве, поступает на вход канального усилителя. Каналов звучания — 20, по количеству участков проекции фонограмм и считывающих элементов. В функции канальных усилителей, кроме усиления сигналов, входит также фильтрация помех оптической фонограммы и управление динамикой звучания.
В зависимости от насыщенности звучания предусилитель может использоваться или отключаться.
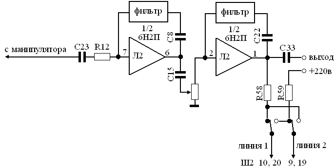
Манипулятор служит для динамического управления громкостью звучания, расширения динамического диапазона (режим экспандера) и «оживления» звука (модуляция).
После манипулятора сигнал поступает на фильтр, представляющий собой усилитель, в цепи обратной связи которого стоит двойной Т-образный RC-мост. Ширина полосы пропускания фильтра составляет 0,5 октавы и соответствует полуоктавному участку фонограмм фотооптического генератора.
Фотоэлектронный синтезатор АНС работает по принципу аддитивного синтеза, то есть сложные звучания получаются путем сложения элементарных звуков — чистых тонов с синусоидальной формой волны. Банк чистых тонов состоит из 720 звуков, охватывающих диапазон частот от 20 Гц до 20 кГц. Конструктивно банк чистых тонов выполнен в виде пяти вращающихся дисков с фонограммами 144 чистых тонов на каждом из них. Диск фонограмм представляет собой круглую стеклянную пластину, покрытую фотоэмульсией. Фонограммы записаны фотооптическим способом, применяемым в кинематографе, как оптическая звуковая дорожка на киноленте. Звуковые дорожки на дисках синтезатора АНС нанесены в виде 144 концентрических колец.
Кстати, сейчас попробовать поработать с виртуальным синтезатором АНС может любой желающий: в сети есть онлайн-симулятор этого инструмента «Virtual ANS», но уникальный звук АНСа он повторить не в состоянии.
Как восприняли изобретение композиторы
У синтезатора АНС было важное отличие от всех других существовавших на тот момент электромеханических инструментов: он был создан специально для композиторов, а не для исполнителей, то есть был студийным синтезатором. Мурзин не ставил перед собой цель заменить целый оркестр, новый инструмент должен был дать композиторам возможности, недоступные обычным музыкальным инструментам. «Зачем подражать скрипке?» — спрашивал Мурзин. — Скрипка и есть скрипка, её никто не отменяет! Дополнить скрипку — вот что интересно!»
АНС позволял музыкантам писать и сразу воспроизводить музыку без привлечения оркестра. И композиторы это оценили.
Дмитрий Шостакович в 1960 году отметил, что синтезатор «представляет собой большой интерес для композиторов» и «даёт большой простор для творческой изобретательности».
В конце 1959 года по просьбе Комитета по делам изобретений и открытий АНС установили в квартире-музее А. Н. С��рябина. По проекту Мурзина в музее создали светоцветовой концертный зал, где организаторы в очередную годовщину Скрябина хотели исполнить его симфоническую поэму «Прометей».
Благодаря поддержке Дмитрия Шостаковича и Тихона Хренникова с 1966 года на базе музея в составе Всесоюзной фирмы грампластинок «Мелодия» начала работать Экспериментальная студия электронной музыки. Евгений Мурзин вышел в отставку и возглавил студию. Со временем двое из его сотрудников сделались широко известны: Станислав Крейчи создавал на АНСе музыку для театра, радио и кино, а Эдуард Артемьев работал в забавно звучащей должности «инженер-композитор».
В студии работали многие композиторы: Шнитке, Денисов, Губайдулина, Мещанинов, Артемьев, Крейчи, Немтин, Мартынов. Стало формироваться направление экспериментальной музыки. Например, Альфред Шнитке сочинил композицию «Поток», представляющую собой необычный канон: голоса исполняли одну и ту же мелодию, начиная её в разное время, и возникал эффект сначала нарастания звукового потока, а потом его постепенного затухания. Сам он вспоминал:
Я работал с АНСом долго, практически больше года и чуть ли не ежедневно. Это была попытка строго формализовать акустику и найти физическое обоснование диссонированию и консонированию.
Софья Губайдулина написала пьесу «Живое — неживое», в которой человеческий голос трансформировался и изменялся на все лады.
Эдуард Артемьев создал «Двенадцать взглядов на мир звука» — вариацию одного тембра.
Студия работала как хозрасчётная организация со штатом из 23 человек, в том числе операторы и инженеры. Здесь создавали не только музыку, но и различные акустические и световые приборы и измерительную технику, озвучивались радиопостановки, спектакли и фильмы. Всего озвучили бесчисленное количество спектаклей и фильмов, как художественных, так и документальных. Из самых известных — «Солярис», «Бриллиантовая рука», мультфильм «Маугли», эпопея «Освобождение», «Сибириада».
В студии был уникальный светомузыкальный зал на сто мест — амфитеатр с куполом в форме небосвода. Увы, она просуществовала недолго. В основном из-за ранней кончины Евгения Мурзина после тяжёлой болезни в начале 1970 года.
Судьба АНСа
В середине 20 века тема космоса была очень важна, и к советским выставкам в Париже и Лондоне сняли фильм «Космос». Музыку для него писали на АНС Артемьев и Крейчи. Лента произвела фурор, во многом благодаря необычной «космической» озвучке, когда звуки возникали непонятно откуда и так же незаметно растворялись.
В апреле 1960 года Шостакович от имени Союза композиторов обратился к властям с просьбой изготовить промышленный образец синтезатора, работающего в 144-ступенной темперации, а в конце 1961 года Дмитрий Шостакович и Тихон Хренников написали письмо министру культуры СССР Е. А. Фурцевой, чтобы та одобрила производство серии АНСов.
В 1964 году был готов доработанный (и оказавшийся единственным) промышленный вариант АНСа. Сейчас только этот экземпляр и остался — остальные версии после кончины Мурзина оказались утеряны. После закрытия студии возник вопрос: что делать с АНСом? Станислав Крейчи, который на долгие годы сделался хранителем прибора, как раз перешёл работать в МГУ, занимался синтезом речи, и туда же перевезли синтезатор, в лабораторию прикладной лингвистики. АНС начали учить говорить и использовали для изучения языка дельфинов. Потом эти проекты как-то завяли, и в отсутствие Крейчи АНС чуть было не выкинули — громоздкий непонятный прибор мешал, Крейчи позвонили и спросили, что с ним делать.
Работа композитора на синтезаторе АНС. Олеся Ростовская (видео на Youtube):
Сейчас хранитель АНСа Станислав Крейчи скончался, Артемьев тоже. Единственный действующий экземпляр АНСа находится в Российском национальном музее музыки им. М. И. Глинки. Как рассказала композитор Олеся Ростовская, туда всегда можно прийти и посмотреть на него. Но полноценно работать сейчас на нём невозможно: синтезатору нужен ремонт, на который всё как-то не находят денег. И, увы, остается всё меньше понимающих людей, способных рассказать, что именно и как нужно отремонтировать.
Автор: Hanamime


