Список сокращений:
-
АВН – активный выпрямитель напряжения;
-
АД – асинхронный двигатель;
-
АИН – автономный инвертор напряжения;
-
ВСМ – высокоинтеллектуальный силовой модуль;
-
ИСМ – интеллектуальный силовой модуль;
-
КСУ – корабельная система управления;
-
МКСУ – микроконтроллерная система управления;
-
ПЛИС – программируемая логическая интегральная схема;
-
ПМУ – пост местного управления;
-
ПО – программное обеспечение;
-
ПЧ – преобразователь частоты;
-
СИС – специализированная интегральная схема;
-
ССМ – суперинтеллектуальный силовой модуль;
-
СУ – система управления;
-
СЭД – судовая система электродвижения.
Введение
В первой части статьи приводятся основные сведения о судовых системах электродвижения (СЭД), которые обладают многочисленными достоинствами по сравнению с традиционными пропульсивными комплексами на основе тепловых двигателей. Рассматриваются интеллектуальные силовые модули (ИСМ) – интегральные силовые преобразовательные устройства, объединяющие в одном корпусе полупроводниковые приборы (в основном, IGBT-транзисторы и диоды) и драйвер, а также высокоинтеллектуальные силовые модули (ВСМ) и суперинтеллектуальные силовые модули (ССМ). Приведено краткое описание преобразователя частоты (ПЧ) мощностью 1,67 МВА концерна «Русэлпром» на основе собственного ВСМ, разработанного инженерами этого концерна, – трехфазного транзисторного модуля ТТМ-1000. Он является российским аналогом модуля SKS 140 фирмы Semikron Danfoss.
Преобразователь частоты для СЭД на основе модуля ТТМ-1000
Рассмотрим более подробно ПЧ мощностью 1,67 МВА на основе собственного ВСМ, который в настоящее время является базовым ПЧ для СЭД концерна «Русэлпром». Он состоит из следующих устройств (рис. 3):
-
ВФ – входной фильтр;
-
ТТМ1, ТТМ2 – модули ТТМ-1000, которые являются АВН и АИН соответственно;
-
БТР – блок тормозного резистора;
-
БУПЧ – блок управления ПЧ;
-
ДНС – датчик трехфазного напряжения судовой электросети;
-
ДНТ1, ДНТ2 – платы датчиков напряжения и тока (АВН и АИН соответственно);
-
СДВ1, СДВ2 – платы сопряжения с драйверами и вентиляторами (АВН и АИН соответственно);
-
ВСМ1, ВСМ2 – высокоинтеллектуальные силовые модули (АВН и АИН соответственно).
Кроме перечисленных выше основных устройств, в состав ПЧ входит следующее вспомогательное оборудование: источники питания, системы охлаждения и антиконденсатного подогрева ПЧ, сигнальные, коммутационные и защитные устройства и т. д., которые не показаны на структурной схеме.
Рассмотрим основные устройства, входящие в состав ПЧ.
ВФ имеет LCL-структуру и состоит из двух трехфазных дросселей и трех конденсаторов, которые расположены между этими дросселями и подключены по схеме «треугольник». Один из дросселей (который ближе к АВН) требуется для работы АИН, а второй дроссель (который ближе ко входу ПЧ) вместе с конденсаторами образует фильтр низких частот, который уменьшает влияние ПЧ на судовую сеть.
Модуль ТТМ-1000 предназначен для использования в ПЧ различного назначения в качестве унифицированного транзисторного преобразователя. ТТМ-1000 построен на основе трехфазного мостового преобразователя напряжения, каждая фаза которого состоит из параллельно включенных четырех транзисторных модулей, которые управляются общим драйвером.
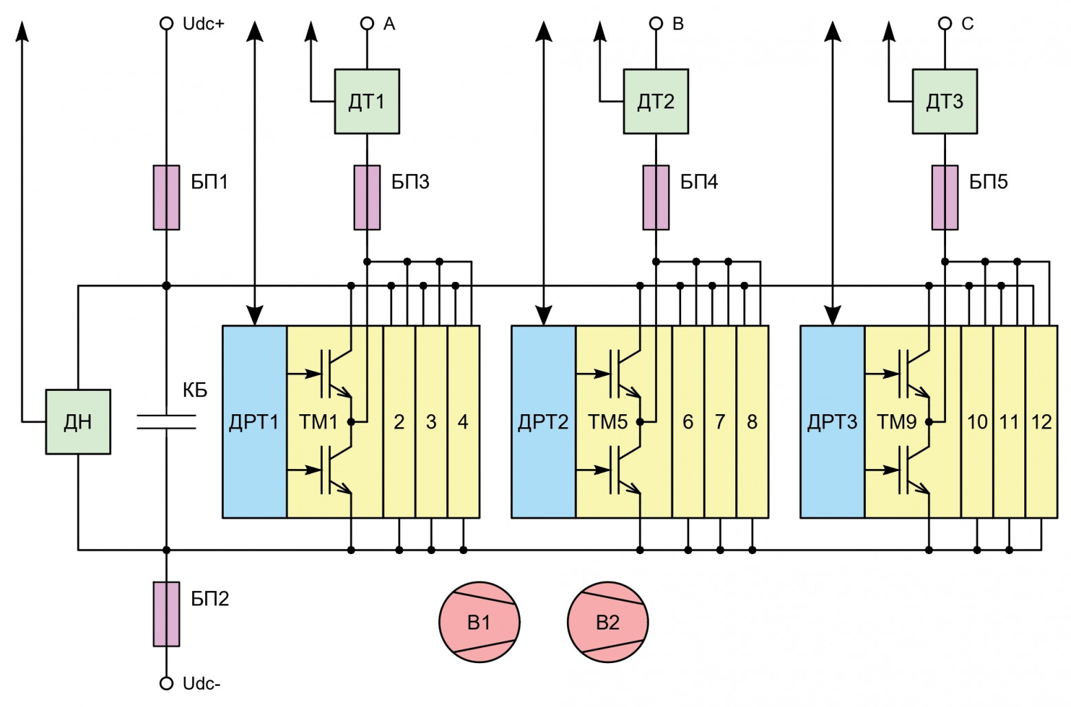
ТТМ-1000 состоит из следующих устройств (рис. 4):
-
ТМ1–ТМ12 – транзисторные модули (ТМ1–ТМ4 – фаза A, ТМ5–ТМ8 – фаза B, ТМ9–ТМ12 – фаза C);
-
КБ – конденсаторная батарея;
-
БП1, БП2 – быстродействующие предохранители постоянного тока (в звене постоянного тока);
-
БП3–БП5 – быстродействующие предохранителя переменного тока (в фазах A, B и C соответственно);
-
ДРТ1–ДРТ3 – драйверы транзисторов (фаз A, B и C соответственно);
-
ДН – датчик напряжения в звене постоянного тока;
-
ДТ1–ДТ3 – датчики токов (фаз A, B и C соответственно);
-
В1, В2 – вентиляторы.
Модули ТМ1–ТМ12 представляют собой IGBT-модули, состоящие из двух IGBT-транзисторов, образующих полумост, двух встречно-параллельных диодов и PTC-термистора, расположенных на изолированном основании.
Батарея КБ предназначена для уменьшения пульсации напряжения в звене постоянного тока и состоит из 18 пленочных конденсаторов с полипропиленовым диэлектриком, который имеет следующие преимущества:
-
низкие диэлектрические потери;
-
низкие последовательные сопротивление и индуктивность;
-
высокие допустимые пиковый ток и перенапряжение;
-
возможность самовосстановления при пробое диэлектрика.
Предохранители БП1–БП5 предназначены для дополнительной защиты IGBT-модулей от выхода из строя при возникновении аварийных ситуаций (КЗ в полумосте или нагрузке).
Примечание: Основную защиту IGBT-модулей от выхода из строя при возникновении аварийных ситуаций обеспечивают драйверы.
Драйверы ДРТ1–ДРТ3 предназначены для управления, контроля и защиты IGBT-модулей. Драйвер каждой фазы формирует импульсы управления для каждого из четырех IGBT-транзисторов этой фазы и обеспечивает их параллельную работу с равномерным распределением токов, защиту транзисторов от выхода из строя при возникновении аварийных ситуаций и передает в БУПЧ сигналы от встроенных датчиков температуры IGBT-модулей.
Каждый из драйверов ДРТ1–ДРТ3 состоит из двух плат – основной платы ДР-4Т и платы-мезонина ДР-М, которая устанавливается на нее.
Плата ДР-4Т объединяет четыре IGBT-модуля и содержит затворные резисторы, резисторы для контроля напряжения коллектор-эмиттер и другие пассивные электронные компоненты, необходимые для управления, контроля и защиты IGBT-транзисторов.
Плата ДР-М содержит драйверное ядро фирмы Power Integration и электронную схему, которая реализует следующие защитные и сервисные (вспомогательные) функции:
-
нормирование фронтов входных сигналов управления;
-
преобразование уровня входных сигналов управления;
-
фильтрация коротких сигналов управления;
-
защита от одновременного включения верхнего и нижнего IGBT-транзисторов полумоста;
-
формирование задержки времени между выключением и включением верхнего и нижнего IGBT-транзисторов полумоста («мертвого» времени);
-
защита IGBT-транзисторов от КЗ (формируется по их выходу из режима насыщения);
-
защита от импульсных перенапряжений и обратной полярности напряжения питания;
-
защита от понижения напряжения питания.
Датчики ДН, ДТ1–ДТ3 предназначены для измерения напряжения в звене постоянного тока и фазных токов и основаны на эффекте Холла (LEM или его аналоги).
Вентиляторы В1, В2 предназначены для обдува конденсаторной батареи с целью увеличения ее срока службы.
Конструктивно модуль ТТМ-1000 представляет собой металлический каркас, в котором расположены устройства, входящие в его состав.
ТТМ-1000 имеет три жидкостных радиатора (фаз A, B и C), на каждом из которых установлены четыре IGBT-модуля вместе с драйвером.
Выводы четырех IGBT-модулей каждой фазы (например, фазы A) подключены следующим образом: управляющие и температурные выводы припаяны к плате ДР-4Т; силовые выводы постоянного тока подключены к батарее КБ с помощью двух планарных медных шин, между которыми находится пленочный диэлектрик; силовые выводы переменного тока объединены с помощью специальной медной шины, которая подключена к медному цилиндру, проходящему через датчик ДТ1. Этот цилиндр подключен к предохранителю БП3 с помощью медной шины.
Предохранители БП1, БП2 подключены к планарным медным шинам. К выводам постоянного тока каждого IGBT-модуля подключены снабберные конденсаторы для защиты от коммутационных перенапряжений.
Основные технические характеристики ТТМ-1000 приведены в табл. 2.
Таблица 2. Основные технические характеристики ТТМ-1000
|
Наименование параметра |
Значение |
|
Номинальное линейное выходное напряжение, В |
690 |
|
Номинальный фазный ток, А |
1400 |
|
Максимальная частота выходного напряжения, Гц |
100 |
|
Максимальное напряжение в звене постоянного тока, В |
1300 |
|
Номинальная мощность, кВА |
1670 |
|
Максимальная частота ШИМ, кГц |
5 |
|
Входной фазовый сдвиг (cos φ) |
От -1 до 1 |
|
Охлаждение модулей IGBT |
Жидкостное |
|
Охлаждение конденсаторной батареи |
Принудительное воздушное |
|
Материал радиатора |
Медь |
|
Встроенные быстродействующие предохранители |
Есть |
|
Рабочая температура, ºС |
От -10 до +45 |
|
Габаритные размеры, Ш×В×Г, мм, не более |
250×1450×600 |
|
Масса, кг, не более |
180 |
Внешний вид ТТМ-1000 показан на рис. 5.
БТР состоит из мощного тормозного резистора и транзистора, который осуществляет его коммутацию – в релейном или широтно-импульсном режимах.
БУПЧ состоит из трех МКСУ, расположенных в одном корпусе: контроллера АВН (КАВ), контроллера АИН (КИН) и контроллера ввода-вывода сигналов (КВВ). Он имеет блочно-модульную конструкцию, состоящую из блочного каркаса (крейта), в котором расположены объединительная плата (кросс-плата) и следующие функциональные модули [10]:
-
модуль источников питания (ИП);
-
модуль микроконтроллера (МК);
-
модуль широтно-модулированных выходов (ШИМ);
-
модуль датчиков напряжения и тока (ДНТ);
-
модуль цифровых интерфейсов и датчиков скорости (ЦИДС);
-
модуль дискретных входов (ДВх);
-
модуль дискретных выходов (ДВых);
-
модуль датчиков температуры (ДТ);
-
модуль аналоговых интерфейсов (АИ).
ДНС предназначен для измерения линейных напряжений судовой электросети и включает в себя три датчика напряжения, основанных на эффекте Холла (LEM или его аналоги).
Плата ДНТ служит для приема сигналов от датчиков напряжения и тока на основе эффекта Холла (LEM или его аналогов), датчиков температуры из платы СДВ, а также реализации аппаратной защиты ПЧ. Она обеспечивает:
-
питание датчиков напряжения и тока;
-
прием и преобразование токовых сигналов от датчиков напряжения и тока в напряжения с помощью измерительных резисторов и передачу их в БУПЧ;
-
прием из платы СДВ трех температурных сигналов (максимальное значение температуры IGBT-модулей каждой фазы) и передачу их в БУПЧ без преобразования (транзитом);
-
реализацию аппаратной защиты ПЧ по напряжению, току и температуре – независимое от ПО выключение ПЧ при превышении фазными токами, напряжением в звене постоянного тока или температурами IGBT-модулей максимально допустимых значений.
Примечания:
1 При использовании датчиков напряжения и тока с выходом в виде напряжения измерительные резисторы не требуются.
2 Если модуль ДНТ, входящий в состав БУПЧ, может обеспечить подключение требуемого количество датчиков напряжения, тока и температуры, то внешняя плата ДНТ не требуется.
Плата СДВ предназначена для сопряжения БУПЧ с драйверами и вентиляторами ТТМ-1000. Она обеспечивает:
-
прием из БУПЧ шести оптических сигналов управления IGBT-транзисторами, преобразование их в электрические сигналы и передачу в ТТМ-1000;
-
прием из ТТМ-1000 трех электрических сигналов ошибок драйверов IGBT-транзисторов, преобразование их в оптические сигналы и передачу в БУПЧ;
-
прием из БУПЧ сигнала управления вентиляторами, усиление его по мощности и передачу в модуль ТТМ-1000;
-
прием из ТТМ-1000 12 сигналов от встроенных датчиков температуры IGBT-модулей (четыре сигнала на каждую фазу), измерение максимального значения температуры IGBT-модулей каждой фазы и передачу этой информации в плату ДНТ.
ВСМ1, ВСМ2 состоят из модуля ТТМ-1000, платы ДНТ и платы СДВ. ТТМ-1000 вместе с платами ДНТ и СДВ представляет собой полноценный ВСМ, который осуществляет преобразование переменного напряжения в постоянное (ВСМ1) или постоянного напряжения в переменное (ВСМ2), имеет в своем составе драйвер, датчики напряжения, тока и температуры и полный набор защитных и сервисных функций:
-
нормирование фронтов, преобразование уровня и фильтрация коротких сигналов управления IGBT-транзисторами;
-
защита от одновременного включения верхнего и нижнего IGBT-транзисторов полумоста и формирование «мертвого» времени;
-
защита IGBT-транзисторов от КЗ, перегрузки по току, перенапряжения в звене постоянного тока и перегрева;
-
защита от импульсных перенапряжений, обратной полярности и понижения напряжения питания.
На основании технических данных, приведенных в табл. 1 и 2, можно сделать вывод о том, что модули ТТМ-1000 и SKS 140 имеют приблизительно одинаковые технические характеристики.
Основными преимуществами ТТМ-1000 по сравнению с SKS 140 являются:
-
наличие встроенных быстродействующих предохранителей, которые обеспечивают дополнительную защиту IGBT-модулей от КЗ в полумосте или нагрузке;
-
медный радиатор, который имеет значительно меньшее тепловое сопротивление по сравнению с алюминиевым, что позволяет повысить эффективность системы охлаждения;
-
российские разработка и изготовление.
К недостаткам ТТМ-1000 можно отнести то, что его габаритные размеры и масса больше, а максимальный ток меньше, чем у SKS 140.
Основными преимуществами SKS 140 по сравнению с ТТМ-1000 являются:
-
возможность перегрузки по фазному току в течение 1 мин (110 %);
-
меньшие габаритные размеры и масса.
Основным недостатком SKS 140 является то, что он разработан и изготовлен в ЕС, из-за чего его официальная продажа и поддержка в последнее время полностью отсутствуют в Российской Федерации.
Результаты экспериментального исследования работы преобразователя частоты на основе модуля ТТМ-1000
В ходе выполнения пусконаладочных работ базового для концерна «Русэлпром» ПЧ мощностью 1,67 МВА на основе ТТМ-1000 было проведено исследование его работы в различных режимах, при различных значениях входного напряжения и тока нагрузки, что позволило оценить качество работы ПЧ. Ниже приводится часть экспериментальных данных, полученных в результате этого исследования.
На рис. 6–9 приводятся осциллограммы, которые показывают процессы, происходящие в силовых цепях ПЧ при его работе на активно-индуктивную нагрузку при номинальном входном напряжении и токе, близком к номинальному. Осциллограммы сняты при следующих значениях параметров ПЧ:
-
входное напряжение – 690 В;
-
напряжение ЗПТ – 1100 В;
-
выходной ток – 1000 А;
-
частота ШИМ АВН – 2840 Гц;
-
частота ШИМ АИН – 2500 Гц.
На рис. 6, 7 приведены осциллограммы напряжения КЭ (синий цвет) одного из верхних IGBT-транзисторов фазы B, напряжения ЗПТ (зеленый цвет) и тока фазы B (красный цвет) АВН с различным временным разрешением – 2 мс/дел. и 200 мкс/дел. На рис. 8, 9 приведены осциллограммы этих же величин для АИН с таким же разрешением по времени.
На рис. 10, 11 приводятся осциллограммы, которые показывают процессы, происходящие в цепях управления и силовых цепях IGBT-транзисторов при работе ПЧ на активно-индуктивную нагрузку при пониженных значениях входного напряжения и тока. АВН работает в режиме НВ (транзисторы выключены, используются только обратные диоды). Осциллограммы сняты при следующих значениях параметров ПЧ:
-
входное напряжение – 400 В;
-
напряжение ЗПТ – 560 В;
-
выходной ток – 250 А;
-
напряжение включения IGBT-транзисторов – +15 В;
-
напряжение выключения IGBT-транзисторов – -10 В;
-
«мертвое» время IGBT-транзисторов – 5 мкс.
Основная задача этих осциллограмм – показать, как реагируют силовые цепи IGBT-транзисторов на изменения в их управляющих цепях. На рис. 10 приведены осциллограммы напряжения ЗЭ (зеленый цвет) и напряжения КЭ (красный цвет) одного из верхних IGBT-транзисторов фазы C, а также тока фазы C (лиловый цвет) АИН при включении транзистора. На рис. 11 приведены осциллограммы этих же величин при выключении транзистора. Разрешение по времени на рис. 10 равно 500 нс/дел., а на рис. 11 – 1 мкс/дел.
Если внимательно посмотреть на рис. 11, то при выключении IGBT-транзистора можно заметить небольшой скачок вверх, а затем скачок вниз напряжения ЗЭ. Эти скачки напряжения ЗЭ обусловлены паразитными индуктивностью проводника, который соединяет эмиттеры четырех параллельно включенных транзисторов, индуктивностями эмиттеров и емкостями ЗК транзисторов. Экспериментально было установлено, что эти скачки зависят от скорости выключения и тока составного IGBT-транзистора: чем быстрее выключается транзистор и чем меньше ток, тем больше колебания напряжения ЗЭ.
На основании этого можно сделать вывод о том, что при параллельном соединение нескольких IGBT-транзисторов для обеспечения их надежной работы необходимо предпринять дополнительные меры для защиты их затворов. Нужно защитить затвор IGBT-транзистора не только от повышения напряжения на нем во включенном состоянии выше допустимого значения (20 В), но и от понижения напряжения в выключенном состоянии ниже допустимого значения (-20 В), а также защитить его от повышения напряжения в выключенном состоянии выше 0 В (чтобы транзистор не включился). Для этого необходимо к затвору IGBT-транзистора подключить либо два быстродействующих диода (один подключается к «+» источника питания драйвера, а другой – к «-» этого источника питания), либо двунаправленный стабилитрон (это лучшее решение), а также можно подключить дополнительный конденсатор для увеличения емкости ЗЭ (это позволит сгладить напряжение ЗЭ, уменьшить его колебания, но при этом уменьшится скорость включения и выключения транзистора и, соответственно, увеличатся его динамические потери).
Примечания:
1 Напряжение ЗПТ – напряжение в звене постоянного тока.
2 Напряжение ЗЭ – напряжение между затвором и эмиттером IGBT-транзистора.
3 Напряжение КЭ – напряжение между коллектором и эмиттером IGBT-транзистора.
4 Емкость ЗК – емкость между затвором и коллектором IGBT-транзистора (емкость Миллера).
Заключение
В области силовой электроники современные тенденции к повышению степени интеграции и функциональности, а также снижению массогабаритных характеристик привели к разработке ИСМ, которые объединяют на одном кристалле или в одном корпусе полупроводниковые приборы и драйвер.
ИСМ, обладающие самым высоким на сегодняшний день уровнем интеллектуальности – ВСМ, имеющие в своем составе драйвер, датчики напряжения, тока и температуры и полный набор защитных и сервисных функций, – полностью защищают транзисторный преобразователь от всех аварийных ситуаций в его аппаратном обеспечении и ошибок в ПО, благодаря чему вывести его из строя практически невозможно.
ВСМ очень хорошо зарекомендовали себя, как основа силовой части современных ПЧ, поэтому можно с уверенностью сказать, что в будущем они станут основными силовыми компонентами при разработке ПЧ для СЭД. При этом будут повышаться такие показатели транзисторных преобразователей, как КПД и удельная мощность (отношение мощности преобразователя к его объему). И наоборот, такой показатель, как функциональная себестоимость (отношение количества функций, выполняемых ВСМ, к его себестоимости) будет снижаться. Функциональность ВСМ будет повышаться, их драйверы будут построены на основе микроконтроллеров, ПЛИС или СИС и будет осуществляться постепенный переход к самым совершенным силовым модулям – ССМ, имеющим максимальный уровень интеллектуальности.
В связи с санкционными ограничениями, введенными в 2022 году, когда покупка ВСМ западного производства стала невозможной, перед инженерами концерна «Русэлпром» были поставлены задачи разработать собственный ВСМ и осуществить параллельную работу трех ВСМ. Первая задача уже успешно решена, в результате чего разработан ПЧ мощностью 1,67 МВА, который стал базовым ПЧ для СЭД концерна «Русэлпром». Основой силовой части этого ПЧ является ВСМ, разработанный инженерами концерна, – трехфазный транзисторный модуль ТТМ-1000. Вторая задача находится на стадии изготовления опытного образца.
Модуль ТТМ-1000 разрабатывался как российский аналог модуля SKS 140 фирмы Semikron Danfoss и по сравнению с ним имеет следующие основные преимущества:
-
наличие встроенных быстродействующих предохранителей, которые обеспечивают дополнительную защиту IGBT-модулей от КЗ;
-
медный радиатор, который позволяет повысить эффективность системы охлаждения;
-
российские разработка и изготовление.
В процессе экспериментального исследования работы ПЧ на основе ТТМ-1000 были выявлены определенные особенности параллельного соединения нескольких IGBT-транзисторов и установлено, что при таком соединении транзисторов для обеспечения их надежной работы необходимо предпринять дополнительные меры для защиты их затворов.
Одним из главных достоинств описанного в данной статье подхода к созданию ПЧ, когда используется максимально функционально законченный, проверенный и надежный транзисторный преобразователь в виде блока (ВСМ), является универсальность применяемого в ПЧ для СЭД концерна «Русэлпром» модуля ТТМ-1000, которая позволяет успешно применять его для полной замены ВСМ западного производства, официальная продажа и поддержка которых в последнее время полностью отсутствуют в Российской Федерации.
Список литературы
-
1. Вершинин В. И., Махонин С. В., Паршиков В.А., Хомяк В. А. Создание систем электродвижения для судов различного назначения // Труды Крыловского государственного научного центра. 2019. Т. 1, № 387. С. 107–122.
-
2. Григорьев А. В., Кулагин Ю. А. Судовые системы электродвижения на базе двигательно-движительных систем кольцевой конструкции // Вестник Государственного университета морского и речного флота имени адмирала С. О. Макарова. 2015. № 4 (32). С. 164–169.
-
3. Ефимов А. А., Шрейнер Р. Т. Активные преобразователи в регулируемых электроприводах переменного тока. Новоуральск: Изд-во НГТИ, 2001. 250 с.
-
4. Колпаков А. Особенности применения интеллектуальных силовых модулей // Компоненты и технологии. 2002. № 3. С. 34–37.
-
5. Колпаков А. SKiiP – интеллектуальные силовые модули IGBT фирмы SEMIKRON // Компоненты и технологии. 2003. № 1. С. 84–90.
-
6. Колпаков А. Сила и интеллект (еще раз об интеллектуальности силовых модулей) // Силовая электроника. 2007. № 7. С. 130–134.
-
7. Ланцов В., Эраносян С. Интеллектуальная силовая электроника: вчера, сегодня, завтра // Силовая электроника. 2006. № 1. С. 4–7.
-
8. Ланцов В., Эраносян С. Интеллектуальная силовая электроника: от настоящего к будущему // Силовая электроника. 2009. № 4. С. 6–12.
-
9. РПГМ.435783.004ТУ. Модуль транзисторный трехфазный ТТМ-МТКИ15-1000-17-М4-ОМ4. Технические условия: введ. впервые. 26 с.
-
10. Сергеев М. Ю. Современное состояние и перспективы развития преобразователей частоты для судовых систем электродвижения // Российская Арктика. 2025. Т. 7. № 2. С. 23-36.
Автор: Maxim_Sergeev


